Pour atteler les outils au tracteur avec efficacité, rapidité, sécurité et ergonomie, bref avec le confort dû à tout travailleur, même paysan… le système d’attelage rapide par triangle peut-être qualifié d’incontournable.
MAIS…
AVEC la bascule, ex « appendice Pigneret« , c’est encore super bien mieux…

C’est en effet au millénaire précédent, sous l’amicale pression de Roger Raffin, technicien maraîchage très éclairé de l’époque, que les Biaux Jardiniers ont été sensibilisés au confort du triangle d’attelage rapide. Et depuis, pas de problème… ça marche : confort et gain de temps sont toujours au rendez-vous !
L’attelage classique…
Risqué
L’attelage 3 points classique (à broches) est en effet très fastidieux. Il est le plus souvent long, générateur de risque d’accident autant que de travail en position torturante. Ce système mécanique n’est de plus pas du tout adapté au maraîchage diversifié, tel que pratiqué par exemple sur notre Biau Jardin, pour une raison supplémentaire, agronomique celle-ci : pour être correctement fait, le travail au jardin demande fréquemment l’utilisation de plusieurs outils différents chaque jour.
Chronophage
et chacun pour des utilisations assez courtes, voire TRÈS courtes. Et rares sont les petits maraîchers diversifiés à disposer de plusieurs tracteurs. Il n’est donc pas rare de devoir changer 4, 6 voire 8/10 fois d’outillage dans la même journée. Voire plus ! Alors… le fastidieux se multiplie…
Galère
Et quand il faut, pour chaque outil, marier 3 pitons dans 3 perçages – qui tombent rarement parfaitement en face – à chaque attelage d’outil, puis une fois le premier travail effectué, belote au dételage, puis, rebelote à l’utilisation de l’outil suivant… GALÈRE … (ici, le langage imagé du capitaine Haddock !)
L’attelage par triangle
Un «autre» attelage est possible !
La solution est donc dans UN AUTRE SYSTÈME : le système d’attelage rapide par triangle, proposé dans le commerce depuis le millénaire précédent, voire à cette époque installé en montage d’origine sur les machines agricoles suisses, mais peu répandu en France.
Le système triangle est SIMPLE COMME LA VIE : l’assemblage d’un triangle mâle et d’un triangle un femelle… interdit de sourire ! 🙂
Un triangle mâle par tracteur
Le triangle mâle est installé UNE FOIS POUR TOUTES au tracteur.

Le fabricant du système en expliquait la conception et ses avantages dans un document quadragénaire illustré, retrouvé dans les archives des Biaux Jardiniers de Grannod.

C’est tellement facile, simple d’usage, que pour convaincre la clientèle potentielle qu’atteler des outils une fois le tracteur équipé en triangle est à la portée de vraiment «n’importe qui», les communicants de l’époque n’avaient pas hésité à utiliser… des photos féminisées… (particulièrement rare dans une pub de mécanique, en tout cas avec un modèle à peu près habillé…).

Un triangle femelle par outil
«De l’autre côté», chaque outil à atteler doit être équipé de son triangle femelle construit en basique UPN de 80, prix livré 50 euros. Ne reste qu’à le souder.
Et quand, muni de son triangle mâle, le tracteur approche d’un outil équipé du triangle femelle, l’attelage devient un jeu d’enfant. Même plus besoin d’être complètement en face ! Même plus besoin de descendre du tracteur ! BONHEUR et SÉRÉNITÉ…
Un 3ème point hydraulique
Chacun comprendra aisément, du moins toute personne qui a dû atteler un outil sur un tracteur, que l’usage d’un troisième point hydraulique (précision, souplesse, adaptabilité rapide) est incontournable pour bénéficier de tous les avantages de l’attelage par triangle rapide. Mais la barre de poussée hydraulique du troisième point est de fait quasi indispensable
La bascule !
L’indispensable bascule !!
Donc, l’attelage par triangle, c’est bonheur et sérénité. MAIS… car il y a un «mais»… en installant le triangle mâle à demeure sur le tracteur, on supprime ipso facto la possibilité que tracteur et outil puissent s’articuler quand ils ne travaillent pas dans le même plan. Alors que c’est possible en attelage classique par piton :
- en attelant la barre de poussée sur l’outil dans une lumière (oblongue) plutôt que dans un perçage (rond)
- en rechangeant en cas de besoin en fonction des outils.
Alors avec le triangle, plus d’articulation possible ? Rigidité obligatoire ? Certains outils qui demandent à pouvoir s’articuler par rapport au tracteur pendant le travail deviendraient donc inutilisables ? Pas possible !
Une « solution » (??)
consiste à monter le triangle femelle de l’outil de manière articulée, ce qui revient à articuler l’outil lui-même. Solution réalisée lors des stages de formation organisés par Adabio Auto-Construction (devenu ensuite Atelier Paysan) lors de ses premières années d’existence. Solution d’une grande intelligence mécanique, et très formatrice en stage, mais parfaitement illogique : il faut concevoir, financer et réaliser un système complexe d’articulation en plusieurs points… et pour CHAQUE outil !!! 🙁

Dans bien des cas, l’outil doit pouvoir travailler dans un autre plan que celui du tracteur
C’est ce que, devant la complexité du système et la nécessité de le multiplier par autant d’outils, certains des cofondateurs d’Adabio Auto-Construction (le futur Atelier Paysan) s’étaient amusés à baptiser, «les montages pervers de Joseph» (qui a bien heureusement de l’humour).
« LA » solution de terrain (!!)
LA solution de terrain, en fait, c’était tout simplement ce que les Biaux Jardiniers pratiquaient depuis l’époque de la conversion de tout leur parc de matériel au système triangle…

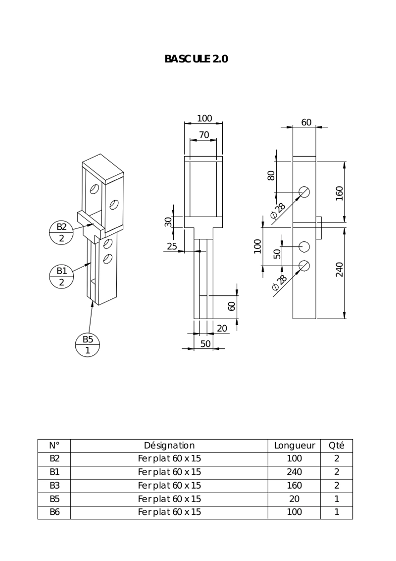
une seule pièce basculante, mais installée à demeure entre le tracteur et son triangle mâle. Donc une seule petite pièce toute simplette par tracteur, au lieu d’un «montage pervers» pour chacun des outils de la ferme.

C’est ce que, devant la simplicité «biblique» et l’évidence du système, certains des cofondateurs (surpris ?) d’Adabio Auto-Construction (le futur Atelier Paysan) s’étaient amusés à baptiser «l’appendice Pigneret» (qui a bien heureusement de l’humour). Appendice bricolé-merdouilloux évidemment, puisque «Pigneret» et qui, non moins évidemment, au fil des ans, remplissait toujours fort bien son usage :


Blocage de bascule
Cet appendice, puisque articulé, offre «pour le même prix» l’avantage de ne pas avoir besoin de modifier le point de fixation du bras de poussée quand on souhaite le bloquer en position NON flottante : il suffit d’immobiliser l’ensemble avec juste une deuxième broche ! (ici, installée dans le trou du haut)

Et si on préfère ne pas s’em…bêter inutilement au boulot (et en tout cas chaque fois que c’est faisable facilement…), il suffit de ranger la broche à portée d’usage… et donc de main. C’est pourquoi le Biau Jardinier avait prévu le bricolage d’un rangement de la broche d’immobilisation de «l’appendice Pigneret» près du troisième point, agrémenté d’un système pratique à chainette et goupille pour éviter de la perdre en route quand on ne s’en sert pas.

Quelques années – et bien des mots !!! – plus tard, ce système basculant fût enfin adopté par l’Atelier Paysan. Ouf.
L’outil a évidemment été amélioré en dimensionnement et universalité d’emploi par les techniciens salariés de la structure. Médiatiquement amélioré aussi, évidemment, car un nom plus vendeur lui fut bien logiquement trouvé : la bascule.
L’appendice Pigneret 0.0 (double zéro) est donc ainsi devenu la bascule 2.0. Miracle de la technologie couplée à la communication !

Un plan a été publié sur le site de l’Atelier Paysan pour diffusion.

Et tout çà a bien simplifié les plans et donc la réalisation des outils proposés ensuite en stage : la structure du vibroplanche devenait enfin rationnelle ! Et probablement plus durable 🙂

L’utilisation de la bascule sur le triangle permet de simplifier la conception de tous les outils qui y sont attelés.
Vidéo de la bascule
Adabio Auto-construction avait tourné une vidéo lors d’une des formations à l’époque où elle en organisait au Biau Jardin de Grannod. Elle est « brut de décoffrage ».
Avantages du système
Gain de temps
Parce qu’il aime comprendre ce qu’il vit et évite de parler sans preuve, et aussi comme il souhaitait convaincre les septiques… (on a compris qu’ils ne manquaient pas !) le Biau Jardinier enregistrait le temps d’usage de chacun des outils sur sa ferme. Il avait estimé le gain de temps apporté par le système d’attelage rapide par triangle.
Des affirmations approximatives – donc pouvant induire en erreur des oreilles peu averties – commençant à circuler, il avait plus tard pris le temps d’écrire pour publication sur le site de Adabio Auto Construction devenue l’Atelier Paysan un petit compte rendu, on peut le télécharger facilement ICI.
Ergonomie et sécurité
Avec l’attelage rapide par triangle, plus de risque d’accident, coincé entre tracteur et outil, plus de position acrobatique pour accéder aux pitons, plus d’effort humain (et cependant inhumain) face à du matériel lourd, etc… Attelage comme dételage, le plus souvent, on reste sur le siège !
Bien sûr, à moins d’avoir les gros moyens permettant de s’équiper de triangles complètement automatique :
… il reste la prise de force ou l’hydraulique à descendre raccorder. Cela n’est ni le plus pénible ni le plus dangereux, ni le plus long, et cela permet de se rappeler le «bon» vieux temps masochiste, où on descendait se brutaliser pour mettre les broches !
Mais gare à ne pas y prendre trop goût… il faut se souvenir en temps utile qu’il reste cependant impératif, quand on dételle l’outil concerné, de penser… à débrancher manuellement prise de force et / ou hydraulique !!!! avant de se précipiter vers un autre travail… 🙁
Gain d’agronomie
L’attelage ainsi rendu facile, on ne recule plus devant. Avec l’attelage par broches, le travailleur a tendance à regrouper les travaux avec chaque outil pour limiter les pénibles opérations d’attelage / dételage ; donc à remettre un petit travail à quand il y en aura plusieurs autres du même type à faire… quitte à prendre le risque de laisser passer le bon moment. Alors qu’avec le triangle, on n’hésite plus à atteler l’outil nécessaire au moment donné. Une fois le travail réalisé au bon moment, on comprend qu’on a gagné en qualité de travail. Donc en efficacité maraîchère.
Gain de place
Atteler les outils quand on est en système triangle est tellement rapide que çà en devient un vrai plaisir… au point qu’on peut systématiser le rangement des outils les uns devant les autres : quel gain de place ! On peut alors abriter sans peine beaucoup plus d’outils sous la même surface de bâtiment : quelle économie !

Son usage
chantier en cours… patience !

Conversion au triangle
Adapter tout son parc de matériel peut être long et aventureux si on s’y prend seul.
Adabio Auto-Construction avait organisé en 2012 des chantiers collectifs amicaux pour aider ceux de ses premiers administrateurs ayant lancé l’aventure de l’auto-construction et qui n’avaient toujours pas équipé en triangle leur parc de matériel. Cela avait donné lieu à quelques journées aussi studieuses que conviviales et bénévoles pour aider quelques jeunes pleins d’avenir :
- dans l’Ain, lire des détails dans « opération triangle ce week-end : chez Cyril«
- puis en Isère, à suivre « opération triangle, le retour : chez Adrien«
Maintenant société coopérative, l’Atelier Paysan continue de proposer son appui par la vente de formations et/ou chantiers de groupes à la ferme avec cette activité modification des matériels en attelage triangle comme support d’apprentissage lors de formations finançables. La SCIC SARL prend en charge la préparation des modifications d’après les photos des outils envoyées par le paysan, l’organisation du chantier, la fourniture du matériel pour travailler, la commande des pièces nécessaires, etc…. et un devis chiffre le coût total de l’opération. Au paysan concerné de mobiliser ses collègues pour participer à l’apprentissage de la soudure dans le cadre d’une formation «à la carte» et «à la ferme».
Ce système a
- l’inconvénient d’un coût réel… et
- l’avantage d’une rapidité et d’un confort réels…
Et pour rendre les coups de main en entraide fournis par les uns, d’autres chantiers peuvent en retour se mettre ensuite en place chez d’autres participants à la première opération. Charge au paysan accueillant de prévoir aussi les nécessaires pauses collectives réparatrices avec solides et liquides…
Alors Ya Ka !
*
Les planches permanentes sur la base de connaissances de Ça se cultive point fr :
- archéologie de la démarche => tous détails illustrés ici
- la bascule à triangle, pour la souplesse et la simplicité => tous détails illustrés ici
- la butteuse à planche, pour «monter» la planche => tous détails illustrés ici
- le cultibutte, pour structurer tout le profil de la planche => tous détails illustrés ici
- le vibroplanche, pour obtenir un bon lit de semence => tous détails illustrés ici
- de la culture à plat au système planche permanente => plein de détails de terrain ici
- expérimentation du ROLOFLEX => plein de détails en direct ici.
* * * * *